新人君特訓中
2018年3月27日
超音波けんこうアルファ ファンド
製造部からLEDの点灯治具を作って欲しいと依頼あり。
チャンス!!新人君に「治具を作ってもらおう」ってことで。。。
なになに新人君、回路を書いたことが全く無いとのこと。なるほどね~。
回路図の見方を教え、実際にLEDを点灯させ、テスターで電流値を測定したり、
治具に使う部品を選んだり、やっと治具回路が完成。
組立も、もちろん新人君にやってもらいます。今、部品が入って来るのを楽しみに
待っています。治具完成したらまた報告しま~す。
アルファ電子 M.Y
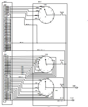
<新人君が初めて設計した回路>

時計みたいに丸く書いているの何だと思います。
ロータリースイッチだそうで~す。
チャンス!!新人君に「治具を作ってもらおう」ってことで。。。
なになに新人君、回路を書いたことが全く無いとのこと。なるほどね~。
回路図の見方を教え、実際にLEDを点灯させ、テスターで電流値を測定したり、
治具に使う部品を選んだり、やっと治具回路が完成。
組立も、もちろん新人君にやってもらいます。今、部品が入って来るのを楽しみに
待っています。治具完成したらまた報告しま~す。
アルファ電子 M.Y
<新人君が初めて設計した回路>
時計みたいに丸く書いているの何だと思います。
ロータリースイッチだそうで~す。